Machine de pannes Z Z120-300
La machine de pannes Z est un type d’équipement de profilage de rouleaux en continu, qui est conçu pour produire des pannes Z de différentes tailles en fonction d’exigences spécifiques. La largeur du web et la hauteur de la bride peuvent être réglées manuellement ou automatiquement. Avec une automatisation complète, la machine permet de changer de taille entre 120 mm et 300 mm en une minute seulement via le contrôle PLC.
Les pannes Z jouent un rôle crucial dans le soutien des matériaux de toitures, tels que les structures en acier, en répartissant le poids du toit sur la structure principale du bâtiment. Généralement utilisées en conjonction avec d’autres composants de construction, tels que les toitures et les murs, les pannes Z garantissent une structure stable pour relier ces matériaux en toute sécurité.
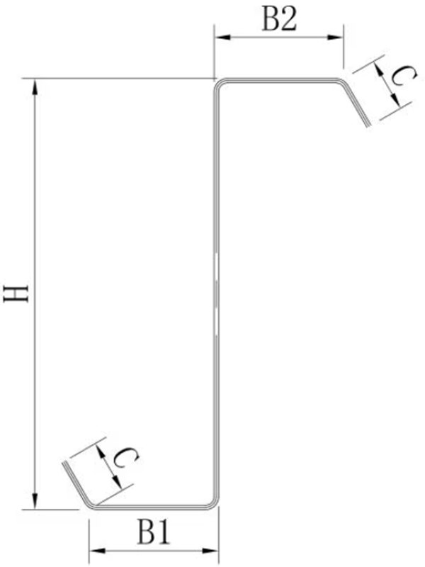
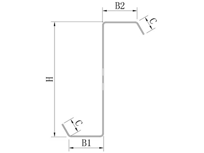
| Panne Z | ||||
| Modèle | Taille de la section | |||
| H | B1 | B2 | C | |
| Z120 | 120mm | 55 mm | 50 mm | 16 mm |
| Z140 | 140 mm | 55 mm | 50 mm | 16 mm |
| Z160 | 160 mm | 67 mm | 61 mm | 16 mm |
| Z180 | 180 mm | 67 mm | 61 mm | 18 mm |
| Z200 | 200 mm | 67 mm | 61 mm | 18 mm |
| Z220 | 220 mm | 78 mm | 72 mm | 18 mm |
| Z250 | 250 mm | 78 mm | 72 mm | 20 mm |
| Z280 | 280 mm | 78 mm | 72 mm | 20 mm |
| Z300 | 300 mm | 78 mm | 72 mm | 20 mm |
Les pannes Z sont disponibles en plusieurs tailles pour s’adapter aux différentes exigences structurelles des bâtiments et répondre aux spécifications fournies par les fabricants. Ces variations de taille sont conçues pour s’adapter aux différents besoins de portance, aux conceptions architecturales et aux réglementations locales en matière de construction.
Spécifications| Article | Machine de pannes Z |
| Dimension | 8500*1600*1500mm |
| Poids | 7500kg |
| Puissance du moteur | 30kW |
| Puissance de la pompe à huile | 5.5kW |
| Tension | 380 V/triphasé/60 Hz |
| Étapes de profilage | 19 |
| Vitesse de profilage | 8-25m/min |
| Épaisseur de profilage | 1.2-3.0mm (GI) |
| Largeur effective | 120-300mm |
| Hauteur effective | 45-100mm |
| Largeur des bords | 10-20mm |
-
-
Système de pré-poinçonnage et de prédécoupe hydraulique
La longueur de coupe, la découpe des pièces et le poinçonnage sont contrôlés par un contrôleur PLC
Nous contacter
Xinhonghua est une entreprise qui se distingue par l'ingénierie, la conception et la fabrication de lignes de profilage ainsi que par la fourniture de solutions complètes en matière de technologie de charpente métallique. Depuis 2004, Xinhonghua a conçu une gamme durable d'équipements de profilage et acquis une solide réputation internationale en termes de qualité et de fiabilité.
Peu importe que vous souhaitiez démarrer une nouvelle entreprise de toiture métallique, étendre votre production ou que vous soyez à la recherche de charpentes métalliques, nous serons ravis de vous fournir les services et conseils dont vous avez besoin pour le démarrage de vos projets de construction en acier formé à froid. Notre société a livré des profileuses et lignes de profilage à des centaines de clients dans plus de 40 pays et régions, y compris en Asie du Sud-Est, en Europe, en Afrique, en Australie, etc.
Nous nous réjouissons que nos profileuses constituent la référence la plus élevée en matière de productivité, de fiabilité et de sécurité dans la fabrication de produits de charpente métallique. Xinhonghua sera à vos côtés à chaque étape du processus pour assurer votre succès !

